
A-A-59001A(SH)
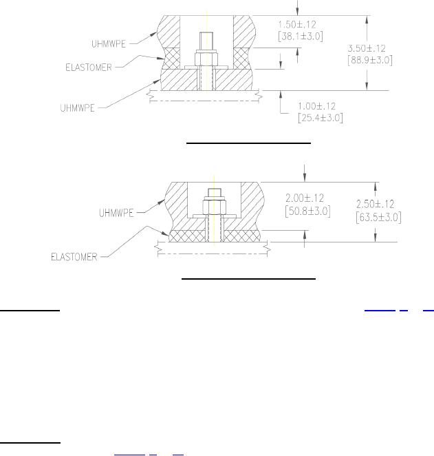
FIGURE 2. Three-ply panel configuration.
FIGURE 3. Lightweight panel configuration.
2.2 Standard sizes. Six standard size synthetic batterboard panels (Types A through F) (see tables I, II, or III) shall
be available for use on amphibious ships in either the standard type or lightweight type batterboard designs.
The following sizes of batterboard panels may be interchanged:
a.
Two Type C panels may be substituted for a Type E panel.
b.
One Type E panel may be substituted for two Type C panels.
c.
Two Type D panels may be substituted for a Type F panel.
d.
One Type F panel may be substituted for two Type D panels.
e.
Two-ply panel construction may be substituted for 3-ply construction, where applicable.
2.3 Weight ranges. The corresponding estimated weight range for each standard size panel, standard type or
2
For Parts Inquires call Parts Hangar, Inc (727) 493-0744
© Copyright 2015 Integrated Publishing, Inc.
A Service Disabled Veteran Owned Small Business